金鑫宇电源(深圳)有限责任公司
电话:0755-28889315
传真:0755-28889316
业务经理:18688922986
技术支援:13632860590
邮箱:huwuzai@126.com
地址:深圳市龙岗区同乐社区园新路38号
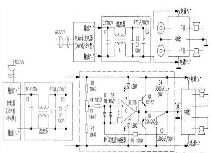
用充电器作电源,只需挑选充电器的输出电压(36与48V型)接近所采用功放的电源电压值,按上图方式连接使用即可。图中除充电器与功放外,两者间加入的L、C1~C3等元件环节。

作用是用于过滤开关电源电路易辐射出的高频调制杂波干扰成分,以让供电直流电压更为纯净。以提高功放工作信噪比。附加元件中的电容选用应注意要耐压足够:L则可用E型铁氧磁芯简单自制,用铜线径不小于φ1mm的漆包线或其他绝缘电钱。采用中心磁芯截面5mm×5mm大小的E型磁芯,在中心骨架上,同向分别绕两个25匝的相同线圈即成,实际使用亦依上图所示援入便可。
对于采用OCL(或BTL)功放电路来说,其为“正,负双直流电压”供电,必须在充电器与功放之间附加上一个“单/双”直流电压转换电路装置。先将充电器上原直流“单电压”处理成正/负对称“双电压”后,再形式对应地供于此类功放上作为工俸电源来使用。实际的连接组成如下图所示。虚线框内部分为“单,双”电压转换电路。对于输入的电压具有自适应性。即无论输入端为“36V型”或是“48V型”充电器接入,而该电路均能先由IC运放输入脚所接的均压电阻R1—R3取样。并进入IC内电路比较。最后可于输出脚产生出与输入充电器电压“止、负”极间“(+)-O—(-)”形式的双电压;此后,由功率管Q1~Q2再完成扩流接续。成为功放所需供电电源。
当转换电路装成后。先不接人功放,空载F测得电路输出端“正-零-负”双电压存有偏差时。通过微调电位器R2,而使输出端双电压“上、下”互为对称即可(各为输入电压1/2电压值)。此转换电路Q1、Q2功率对管均应安装散热片。
下图中的L、C滤波环节和上图中的完全相同。
推荐资讯
- 2017-10-18XVE-金鑫宇电源专业生产充电器|电源适配器
- 2025-12-25【重磅预告】CES 2026,我们带着 1500W 全场
- 2024-05-13金鑫宇电源参加第32届中国国际自行车展览会
- 2018-06-07金鑫宇电源亮相2018广州国际照明展览会(光
- 2018-05-162018中国(上海)国际自行车展览会
- 2018-04-19号外:居然是它!金鑫宇滑板车充电器
- 2018-03-15金鑫宇充电器,手机充电速度快不快?
- 2018-03-12XVE免费拿样!42V1.5A扭扭车平衡车锂电池充电
- 2017-11-28金鑫宇电源新款X-1902充电器
- 2017-11-28金鑫宇电源:X-248W带PFC充电器
