金鑫宇电源(深圳)有限责任公司
电话:0755-28889315
传真:0755-28889316
业务经理:18688922986
技术支援:13632860590
邮箱:huwuzai@126.com
地址:深圳市龙岗区同乐社区园新路38号
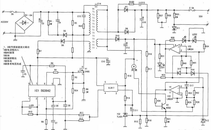
图纸讲解48V电动自行车充电器为何不能充电器
文章作者:handler 时间:2017-12-11 08-54-27
经过一番周折终于查出故障原因。原来是用户不慎将充电器跌落在地,外壳破损请人修理,而修理者误将电源输出软线在印制板焊点上互相交错了焊点,将正负极性搞错,烧断了输出保险丝(其保险丝是制板制出来的)。起初也没有注意到这一点,在输出保险丝处发现有5mm空隙,用放大镜看到两端均有一个小铜球(约O.lmm),知道这是一段保险丝。保险熔断说明电路有短路故障,前面所说一番周折便因此而来。为对充电器进行全面检查,先绘制出印制板图,再绘制出原理图,依图对所有元件进行了一番检测,没有发现烧损和短路元件,这才敢通电检查各处电压,在未发现短路情况后,依据两端铜球大小用0.1mm铜线焊在原保险丝两端,同时在正负铜箔间焊上200Ω/lOOW电阻串上SA直流表,通电,输出电流为200mA,正常。既然正常,又为何要烧保险呢?用表笔测输出电压,发现表笔反打,这才发现修理者将线头焊错了。将线头重焊后测输出电压55V正常。此系修理者疏忽焊错线头,将充电器充电变成了放电。

推荐资讯
- 2017-10-18XVE-金鑫宇电源专业生产充电器|电源适配器
- 2025-12-25【重磅预告】CES 2026,我们带着 1500W 全场
- 2024-05-13金鑫宇电源参加第32届中国国际自行车展览会
- 2018-06-07金鑫宇电源亮相2018广州国际照明展览会(光
- 2018-05-162018中国(上海)国际自行车展览会
- 2018-04-19号外:居然是它!金鑫宇滑板车充电器
- 2018-03-15金鑫宇充电器,手机充电速度快不快?
- 2018-03-12XVE免费拿样!42V1.5A扭扭车平衡车锂电池充电
- 2017-11-28金鑫宇电源新款X-1902充电器
- 2017-11-28金鑫宇电源:X-248W带PFC充电器
