金鑫宇电源(深圳)有限责任公司
电话:0755-28889315
传真:0755-28889316
业务经理:18688922986
技术支援:13632860590
邮箱:huwuzai@126.com
地址:深圳市龙岗区同乐社区园新路38号
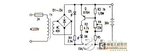
电路原理:AC220V市电经变压器T1降压,经D1-D4全波整流后,供给充电电路工作。当输出端按正确极性接入设定的被充电瓶后,若整流输出脉动电压的每个半波峰值超过电瓶的输出电压,则可控硅SCR经Q的集电极电流触发导通,电流经可控硅给电瓶充电。脉动电压接近电瓶电压时,可控硅关断,停止充电。调节R4,可调节晶体管Q的导通电压,一般可将R4由大到小调整到Q导通能触发可控硅(导通)即可。图中发光管D5用作电源指示,而D6用作充电指示。

电路特点:输出电压设定好后(例如36V),若被充电瓶极板脱落断开,造成某组电池不通,或出现短路,则电瓶端电压即降低或为零,这时充电器将无输出电流;若被充电瓶电压偏离设定电压,如设定电压为36V,误接24V、12V、6V电瓶等,充电器也无输出电流,若设定为24V误接为36V电瓶,由于充电器输出电压低于电瓶电压,因而也不能向电瓶充电:充电器两输出端若短路时,由于充电器中可控硅SCR的触发电路不能工作,因而可控硅不导通,输出电流为零:若使用时误将电瓶正负极接反,则可控硅触发电路反向截止,无触发信号,可控硅不导通,输出电流为零:采用脉冲充电,有利于延长电瓶寿命。由于低压交流电经全波整流后是脉动直流,只有当其波峰电压大于电瓶电压时,可控硅才会导通,而当脉动直流电压处于波谷区时,可控硅反偏截止,停止向电瓶充电,因而流过电瓶的是脉动直流电;。快速充电,充满自停。由于刚开始充电时电瓶两端电压较低,因而充电电流较大。当电瓶即将充足时(36V电瓶端电压可达44V),由于充电电压越来越接近脉动直流输出电压的波峰值,则充电电流也会越来越小,自动变为涓流充电。当电瓶两端电压被充到整流输出的波峰最大值时,充电过程停止。经试验,三节电动车蓄电池36V(12V/12Ah三节串联),用该充电器只需几个小时即可充满;电路简单、易于制作,几乎不用维护及维修。
推荐资讯
- 2017-10-18XVE-金鑫宇电源专业生产充电器|电源适配器
- 2025-12-25【重磅预告】CES 2026,我们带着 1500W 全场
- 2024-05-13金鑫宇电源参加第32届中国国际自行车展览会
- 2018-06-07金鑫宇电源亮相2018广州国际照明展览会(光
- 2018-05-162018中国(上海)国际自行车展览会
- 2018-04-19号外:居然是它!金鑫宇滑板车充电器
- 2018-03-15金鑫宇充电器,手机充电速度快不快?
- 2018-03-12XVE免费拿样!42V1.5A扭扭车平衡车锂电池充电
- 2017-11-28金鑫宇电源新款X-1902充电器
- 2017-11-28金鑫宇电源:X-248W带PFC充电器
